网站首页
关于我们
产品展示
新闻资讯
VR全景
客户留言
人才招聘
联系我们
英文版
宁波全盛世纪气动科技有限公司
网站首页
关于我们
产品展示
新闻资讯
VR全景
客户留言
人才招聘
联系我们
英文版
服务全球
自动化生产设备
联系我们
气动装置研发
专注气动装置研发并提供整体解决方案
联系我们
您现在的位置:
首页
/
气源处理件
/
SFR调压过滤器
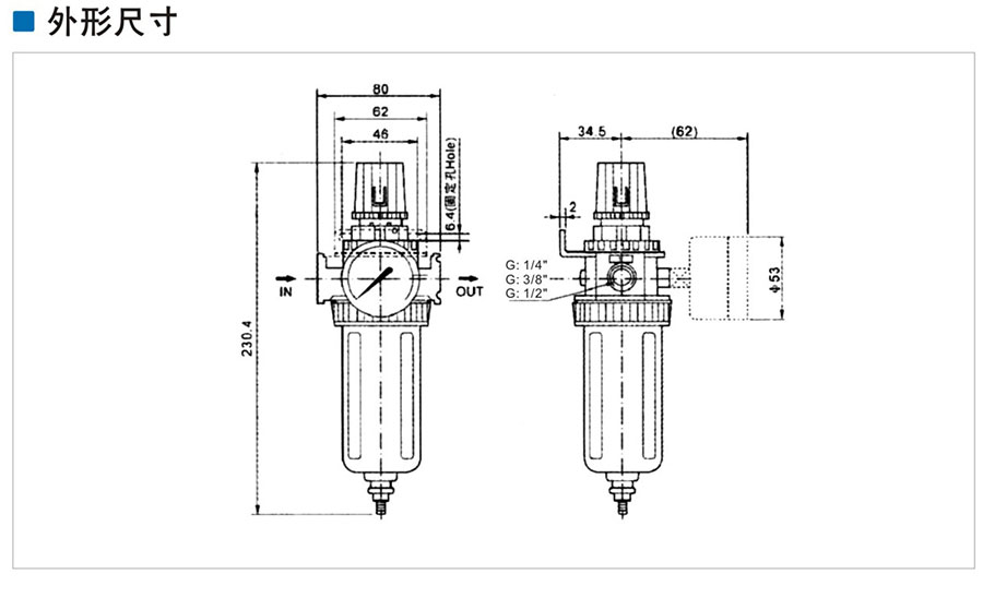
SFR调压过滤器
返回产品列表
立即联系我们
SFR调压过滤器
返回产品列表
立即联系我们
产品详情
上一个:SL系列油雾器
下一个:QTY系列减压器
宁波全盛世纪科技有限公司,气源处理元件,二位二通电磁阀,QS高压电磁阀,脚踏阀,精密减压阀,焊接夹紧气缸,导杆气缸,油雾器,调压过滤器,消声器,脉冲阀,气缸配件,减压阀,调压阀